Пополнение склада Подробнее
Фильтр
Категория
Вся продукция
Подшипники
РазмерСбросить
Внутренний диаметр - d (мм)
от
до
Наружный диаметр - D (мм)
от
до
Ширина - B (мм)
от
до
Производитель
1
2
3
4
5
6
7
8
9
A
B
C
D
E
F
G
H
I
J
K
L
M
N
O
P
R
S
T
U
V
Y
Z
А
Г
Е
З
М
П
С
У
Показать еще
Расширенный фильтр
Цена Сбросить
от
до
Тип товара
Показать еще
Подтип товара
Показать еще
Тело качения
Тип по направлению нагрузки
Количество рядов
Из нержавеющей стали

Подшипник HK 1312 CX

Артикул: 221374

357 ₽/шт.

Указана розничная цена

Цена оптовая
7
В наличии ?

Купить в количестве:

Доставка:
от 300 ₽
Самовывоз:
бесплатно
Мин.сумма заказа:
500 ₽
HK игольчатый без втулки
Подшипник игольчатый, однорядный, без внутреннего кольца (без втулки).Подшипник роликовый игольчатый со штампованным наружным кольцом и с сепаратором, соответствует стандарту ISO 15. Направление воспринимаемых нагрузок - радиальное.

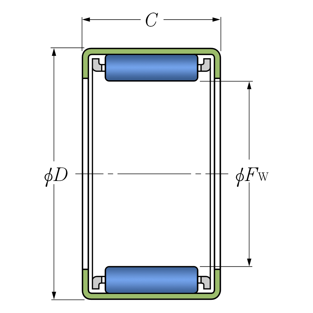
РАЗМЕРЫ И ХАРАКТЕРИСТИКИ Подшипник HK 1312 CX

Подшипник HK 1312 Схема
Производитель CX
Внутренний диаметр - d (мм) 13
Наружный диаметр - D (мм) 19
Ширина - B (мм) 12
Тело качения Иголка
Тип по направлению нагрузки Радиальный
Направление нагрузки Радиальный
Тип товара Игольчатый
Подтип товара HK игольчатый без втулки
Остатки по складам
Москва (г. Москва, ул. Ткацкая, д. 1)
5
Клин (МО, г. Клин, Ленинградское шоссе 88 км)
2

Подшипники этой же группы соответствия
Смотреть все >
HK 1312 KOYO
HK 1312 KOYO
31
В наличии

331 р.

HK 1312 NTN
HK 1312 NTN
50+
В наличии

313 р.

HK 1312 CX
HK 1312 CX
7
В наличии

357 р.

Похожие Подшипники
Смотреть все >
180111 (6011 2RS) ZNL
180111 (6011 2RS) ZNL
48
В наличии

1074 р.

UC 204 FYH
UC 204 FYH
Под заказ

1924 р.

7308 (30308) ZNL
7308 (30308) ZNL
21
В наличии

1407 р.

С этим товаром покупают
Смотреть все >
Спрей WD-40 (240мл)
Спрей WD-40 (240мл)
Под заказ

844 р.

Смазка LGWA 2 /0,4 SKF
Смазка LGWA 2 /0,4 SKF
Под заказ

3699 р.

Контакты Сравнение Корзина Избранное ЛК

-

-

.